کد QR
محصولات
با ما تماس بگیرید


فکس
+86-574-87168065

پست الکترونیک

نشانی
منطقه صنعتی لوتوئو، منطقه ژنهای، شهر نینگبو، چین
کوپلینگ جهانی SWC-WD Raydafon برای حرکت مؤثر گشتاور در ماشینهای سنگین ساخته شده است - مثلاً کارخانههای نورد فولادی، جرثقیلها، تجهیزات بالابر، همه آن تجهیزات سنگین. این یک فلنج جمع و جور و غیر تلسکوپی با قطر چرخش از 180 میلی متر تا 1320 میلی متر دارد. این کوپلینگ جهانی فلنج کوتاه میتواند ناهماهنگیهای زاویهای را تا 15 درجه و گشتاوری تا 16000 کیلو نیوتنمتر را کنترل کند، بنابراین حتی در فضاهای تنگ که فضای زیادی وجود ندارد، انتقال نیرو را با اطمینان حفظ میکند. ما آن را از فولاد 35 CrMo با مقاومت بالا، با ساختار باربری که نیازی به پیچ و مهره ندارد، میسازیم - برای کوپلینگهای جهانی برای ماشینهای سنگین و کوپلینگهای جهانی غیر تلسکوپی برای کاربردهای صنعتی عالی است. به نگهداری زیادی نیاز ندارد و برای همیشه دوام می آورد، این دقیقا همان چیزی است که در تنظیمات سخت به آن نیاز دارید.
تولید ما در چین از استانداردهای ISO 9001 پیروی می کند، بنابراین کوپلینگ جهانی SWC-WD در شرایط سخت دوام می آورد. شفت متقاطع برای مقاومت در برابر خوردگی روکش کروم است و به چقرمگی آن می افزاید. طراحی فلنج سفت و سخت آن، نصب را آسان می کند، به خصوص در تجهیزات متالورژی و معدن که حرکت محوری آن بسیار کم است. ما می توانیم اندازه را متناسب با نیازهای شما سفارشی کنیم، بنابراین این کوپلینگ جهانی کوتاه بادوام به عنوان کوپلینگ جهانی سفارشی برای سیستم های جرثقیل و سایر کارهای سنگین عالی عمل می کند. و قیمت نیز رقابتی است. مهارت دقیق Raydafon به معنای زمان خرابی کمتر و تجهیزات قابل اطمینان تر است - چیزی که اپراتورهای صنعتی در سراسر جهان می توانند روی آن حساب کنند.
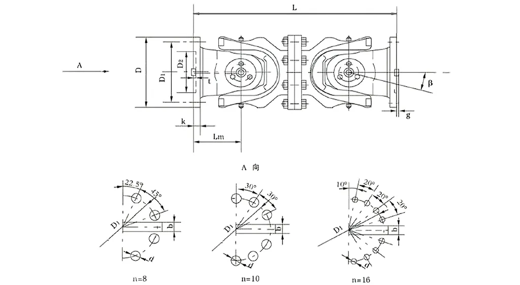
| خیر | قطر چرخش D میلی متر | گشتاور اسمی Tn KN·m | زاویه تا شدن محورها β (°) | گشتاور خسته Tf KN·m | اندازه (میلی متر) | وزن (کیلوگرم) | |||||||||
| Lmin | D1 (js11) | D2 (H7) | Lm | n-d | k | t | b (h9) | g | Lmin | افزایش دهید 100 میلی متر | |||||
| SWC180WD | 180 | 12.5 | 6.3 | ≤25 | 440 | 155 | 105 | 110 | 8-17 | 17 | 5 | - | - | 0.145 | 52 |
| SWC225WD | 225 | 40 | 20 | ≤15 | 480 | 196 | 135 | 120 | 8-17 | 20 | 5 | 32 | 9.0 | 0.355 | 82 |
| SWC250WD | 250 | 63 | 31.5 | 560 | 218 | 150 | 140 | 8-19 | 25 | 6 | 40 | 12.5 | 0.831 | 127 | |
| Swc285wd | 285 | 90 | 45 | 640 | 245 | 170 | 160 | 8-21 | 27 | 7 | 40 | 15.0 | 1.715 | 189 | |
| SWC315WD | 315 | 125 | 63 | 720 | 280 | 185 | 180 | 10-23 | 32 | 8 | 40 | 15.0 | 2.820 | 270 | |
| SWC350WD | 350 | 180 | 90 | 776 | 310 | 210 | 194 | 10-23 | 35 | 8 | 50 | 16.0 | 4.791 | 370 | |
| SWC390WD | 390 | 250 | 125 | 860 | 345 | 235 | 215 | 10-25 | 40 | 8 | 70 | 18.0 | 8.229 | 524 | |
| Swc440wd | 440 | 355 | 180 | 1040 | 390 | 255 | 260 | 16-28 | 42 | 10 | 80 | 20.0 | 15.320 | 798 | |
| SWC490WD | 490 | 500 | 250 | 1080 | 435 | 275 | 270 | 16-31 | 47 | 12 | 90 | 22.5 | 25.740 | 1055 | |
| SWC550WD | 550 | 710 | 355 | 1220 | 492 | 320 | 305 | 16-31 | 50 | 12 | 100 | 22.5 | 46.780 | 1524 | |
| SWC620WD | 620 | 1000 | 500 | 1360 | 555 | 380 | 340 | 10-38 | 55 | 12 | 100 | 25.0 | 83.760 | 2120 | |
* 1. Tf- تحت بار تناوب، گشتاوری را که با توجه به قدرت خستگی اجازه می دهد، بارگذاری کنید.
کوپلینگ مشترک مشترک جهانی SWC Raydafon - که معمولاً کوپلینگ مفصل جهانی شفت SWC نامیده می شود - فقط یک قسمت نیست. در زمینههای صنعتی سنگین، مانند کارخانههای نورد، تجهیزات بالابر، و انواع ماشینآلات سنگین سخت، ضروری است. به عنوان یک کوپلینگ مشترک جهانی با گشتاور بالا، کار محکمی را انجام می دهد و دو شفت انتقال را که کاملاً در یک راستا نیستند، به هم متصل می کند و اطمینان حاصل می کند که قدرت به آرامی حتی زمانی که شرایط کار واقعاً سخت است، تحویل داده می شود.
بیایید در مورد مشخصات اصلی آن صحبت کنیم: قطر چرخش بین φ58 تا φ620 است، گشتاور اسمی از 0.15 تا 1000 کیلو نیوتن متر است و زاویه تا شدن محور بیش از 25 درجه نیست.
این کوپلینگ در نقاط خاص بهترین عملکرد را دارد - مانند زمانی که به یک کوپلینگ مفصل جهانی قابل اعتماد برای عملیات آسیاب نورد نیاز دارید، یا یک کوپلینگ محور مشترک جهانی بادوام SWC در تجهیزات بالابری و جابجایی مواد. در این موارد، قدرت خود را نشان می دهد: حتی تحت فشارهای زیاد، عملیات را ثابت نگه می دارد، بدون آشفتگی یا خرابی.
کوپلینگ مشترک جهانی SWC Raydafon فقط به هم متصل نمی شود، بلکه با مهندسی هوشمند و به روز ساخته شده است تا در مصارف صنعتی عالی عمل کند و ماندگاری زیادی داشته باشد. بیایید از طریق آنچه که ساختار آن را برجسته می کند قدم برداریم.
اول، یک پیکربندی معقول و ایمن دارد: ما از طراحی سر چنگال یکپارچه برای این کوپلینگ مشترک صنعتی جهانی استفاده کردیم که خطراتی مانند شل شدن یا شکستن پیچها را کاهش میدهد. این بهینه سازی به تنهایی باعث می شود که به طور کلی 30 تا 50 درصد محکم تر شود، بنابراین ایمن و پیوسته کار می کند. در مقایسه با کوپلینگهای معمولی، دوام بیشتری دارد، و از مشکلات رایج در نقاط پرتنش جلوگیری میکند - مانند سیستمهای کوپلینگ مشترک مشترک ماشینهای سنگین که در کارهای سخت میبینید.
سپس ظرفیت باربری افزایش یافته آن وجود دارد: این کوپلینگ مشترک جهانی سنگین SWC برای تحمل وزنه های بزرگ ساخته شده است، بنابراین در مکان هایی که نیاز به حمل بار درجه یک مانند تجهیزات معدن یا ماشین آلات ساختمانی دارند، باید داشته باشید.
همچنین راندمان انتقال بالایی دارد - تا 98.6٪. به عنوان یک اتصال مشترک جهانی کارآمد برای انتقال قدرت بزرگ، مصرف انرژی و هزینه های ناشی از آن را کاهش می دهد. به همین دلیل است که یک انتخاب برتر برای راه حل های کوپلینگ مشترک جهانی صرفه جویی در انرژی در تنظیمات انتقال صنعتی پرقدرت است.
و با نویز کم کار میکند: انتقال ثابت میماند و نویز معمولاً بین 30-40 دسیبل (A) شناور است. این کوپلینگ مشترک جهانی کمصدا، عملیات را بیصدا نگه میدارد، که برای مکانهای صنعتی که سر و صدا در آنها مشکل ایجاد میکند، عالی است - در حالی که قابلیت اطمینان را در سطح بالایی حفظ میکند.
⭐⭐⭐⭐⭐ ژانگ وی، مهندس ارشد، شرکت تجهیزات معدن هنان، با مسئولیت محدود.
ما کوپلینگ جهانی SWC-WD Raydafon را بدون اتصال فلنج فلکس بر روی ماشینآلات ماینینگ خود قرار دادهایم و کاملاً مناسب است. طراحی جمع و جور آن دقیقاً همان چیزی است که برای فضاهای تنگ که در آن فضای زیادی برای صرفه جویی وجود ندارد، نیاز داریم، و ساخت آن به اندازه کافی سخت است که عملیات را ثابت نگه دارد. حتی زمانی که بدون توقف در شرایط سنگین کار میکند، این کوپلینگ هرگز ما را ناامید نمیکند - اصلاً هیچ خرابی وجود ندارد. تیم تعمیر و نگهداری ما دوست دارد که به سختی نیاز به بررسی داشته باشد، به این معنی که میتوانیم تولید را بدون دردسر اضافی ادامه دهیم.
⭐⭐⭐⭐⭐ مایکل براون، مدیر عملیات، تگزاس استیل ورکز، ایالات متحده آمریکا
کارگاه ما در تگزاس کوپلینگ جهانی اتصال کوتاه SWC-WD بدون فلنج فلکس را از Raydafon سفارش داد و صادقانه بگویم که کیفیت ما را متحیر کرده است. کوپلینگها واقعاً خوب ماشینکاری شدهاند، نصب آنها سخت است و حتی در هنگام بارگیری نیز بهطور قابلاطمینانی نگه میدارند. چه چیزی بیشتر به من توجه کرد؟ چقدر خوب قیمت و عملکرد را متعادل می کند—شما اغلب آن نقطه شیرین را پیدا نمی کنید. یافتن تامین کننده ای که به طور مداوم این سطح از کیفیت را ارائه می کند آسان نیست، اما Raydafon کاملاً ثابت کرده است که یک شریک قابل اعتماد برای ما است.
⭐⭐⭐⭐⭐ آنا مولر، سرپرست تعمیر و نگهداری، راه حل های صنعتی برلین، آلمان
ما کوپلینگ جهانی SWC-WD Raydafon's SWC-WD Short Without Flex Flange Type را در خط تجهیزات برلین خود قرار دادیم و نتایج عالی بود. این محصول به خودی خود جامد به نظر می رسد، جوشکاری دقیق است - در اینجا کار بدی وجود ندارد - و تا کنون، بسیار خوب نگه داشته شده است و دوام درجه یک را نشان می دهد. در مقایسه با برخی از مارک های دیگر که در اینجا در اروپا استفاده کرده ایم، این کوپلینگ بسیار قابل اعتمادتر است و قیمت نیز بسیار رقابتی تر است. اگر شرکت های دیگر به دنبال کوپلینگ های جهانی قابل اعتماد هستند، من کاملاً Raydafon را توصیه می کنم.
اتصال جهانی اتصال کوتاه SWC-WD Raydafon بدون فلنج فلکس - که اغلب به آن کوپلینگ مفصلی جهانی شفت SWC می گویند - برای نقاط صنعتی تنگ ساخته شده است، جایی که فضا محدود است و شما نیاز به طراحی با طول ثابت (بدون پسوند تلسکوپی) دارید. به عنوان یک کوپلینگ مفصل جهانی با گشتاور بالا، گشتاور را به طور موثر بین شفت هایی که هم تراز نیستند حرکت می دهد و انحرافات زاویه ای را تا 25 درجه مدیریت می کند و حتی در محیط های سنگین نیز قابل اعتماد می ماند.
بیایید در مورد ویژگیهای کلیدی آن صحبت کنیم: دارای ساختار فشرده و سفت و سختی است – این نصب فلنج کوتاه و غیر قابل انعطاف، آن را به یک کوپلینگ مفصل جهانی قابل اعتماد برای عملیات آسیاب نورد تبدیل میکند و در تنظیماتی که حرکت محوری در آن حداقل است، پایداری بیشتری میدهد. به همین دلیل است که برای اتصالات با فاصله ثابت در ماشین آلات سخت بسیار خوب عمل می کند. سپس ظرفیت باربری بالای آن وجود دارد: ما از مواد سختی مانند چدن یا فولاد آلیاژی برای ساخت آن استفاده میکنیم، بنابراین یک جفت محور مشترک جهانی SWC در تجهیزات بالابری و حمل مواد است. وزنه های بزرگ را نگه می دارد و گشتاور بیشتری را نسبت به سایر کوپلینگ های هم قطر منتقل می کند، که آن را برای بارهای سنگین در تجهیزات معدن یا ساخت و ساز عالی می کند.
این کوپلینگ مشترک صنعتی جهانی همچنین ناهماهنگی را به خوبی جبران می کند - چه زاویه ای، موازی یا محوری باشد، سرعت چرخش یا انتقال گشتاور را مختل نمی کند. این به معنای عملکرد روان در سیستمهای کوپلینگ مشترک مشترک ماشینهای سنگین است. و در انتقال نیرو کارآمد است: این کوپلینگ مشترک عمومی سنگین SWC با بازدهی تا 98.6 درصد، تلفات انرژی را پایین نگه میدارد، و آن را به یک کوپلینگ مشترک جهانی کارآمد برای انتقال قدرت بزرگ در تنظیمات صنعتی پرقدرت تبدیل میکند.
بعلاوه، برای صرفه جویی در مصرف انرژی و عملکرد بی صدا طراحی شده است - اگر به راه حل های کوپلینگ مشترک کم مصرف نیاز دارید، این یک انتخاب برتر است که هزینه های عملیاتی را کاهش می دهد. و نویز را بین 30 تا 40 دسی بل (A) نگه می دارد، بنابراین این کوپلینگ مفصلی کم سر و صدای کم درست در نقاط صنعتی که نویز نگران کننده است، مناسب می شود.
این کوپلینگ واقعاً در سناریوهای خاص می درخشد - مانند زمانی که به یک کوپلینگ مشترک جهانی قابل اعتماد برای عملیات آسیاب نورد یا یک کوپلینگ محور مشترک جهانی SWC با دوام در تجهیزات بالابری و حمل مواد نیاز دارید. در این موارد، حتی با بارهای شدید و فضای محدود، عملیات را ثابت نگه می دارد، بدون سکسکه.
هنگامی که صحبت از کاربردهای کوپلینگ مشترک صنعتی جهانی می شود، نوع SWC-WD ما با مهندسی هوشمندی که باعث عملکرد بهتر و دوام بیشتر آن می شود، متمایز است. بیایید در مورد ساختار کلیدی آن صحبت کنیم: دارای یک راهاندازی معقول و ایمن با طراحی یکپارچه سر چنگال - این امر از مشکلاتی مانند شل شدن یا شکستن پیچها خلاص میشود و استحکام کلی را 30 تا 50 درصد افزایش میدهد. این بدان معناست که با خیال راحت و قابل اطمینان کار می کند، بیشتر از مدل های قدیمی دوام می آورد و از خرابی های معمول در مکان های پر استرس، مانند سیستم های کوپلینگ مشترک مشترک ماشین آلات سنگین، جلوگیری می کند.
بعلاوه، میتواند بار بیشتری را تحمل کند—ما آن را برای تحمل وزنهای سنگینتر ساختهایم، بنابراین این کوپلینگ مشترک جهانی سنگین SWC برای مکانهایی که نیاز به حمل بار سخت دارند، مانند تجهیزات معدن یا ساختوساز، عالی است. همچنین قدرت را به طور فوق العاده ای به حرکت در می آورد و راندمان انتقال را تا 98.6 درصد می رساند. به عنوان یک کوپلینگ مشترک جهانی کارآمد برای انتقال قدرت بزرگ، مصرف انرژی و هزینههای ناشی از آن را کاهش میدهد و آن را به گزینهای برتر برای راهحلهای کوپلینگ مشترک جهانی صرفهجویی در مصرف انرژی در تنظیمات انتقال صنعتی پرقدرت تبدیل میکند.
و بدون هیچ صدایی روان کار می کند - انتقال ثابت می ماند و نویز معمولا بین 30-40 دسی بل (A) باقی می ماند. این کوپلینگ مشترک جهانی کمصدا، عملیات را بیصدا نگه میدارد، که برای مکانهای صنعتی که سر و صدا در آنها مشکل ایجاد میکند، عالی است و در عین حال قابلیت اطمینان را در سطح بالایی حفظ میکند.
Raydafon فقط یک نام دیگر در قطعات گیربکس نیست - ما یک تولید کننده و تامین کننده پیشرو در قطعات انتقال با کارایی بالا و راه حل های ماشین آلات صنعتی هستیم و تمرکز دقیقی روی محصولاتی مانند کوپلینگ مشترک مشترک شفت کاردان SWC داریم. ما شروع کردیم تا از آنچه صنایع جهانی در حال تکامل به آن نیاز دارند، پیروی کنیم، و با گذشت زمان، یک خط تولید کامل ایجاد کردیم: گیربکس، شفت محرک، سیلندرهای هیدرولیک، قرقرهها، ماشینآلات دقیق - همه برای بهبود عملکرد بخشهای کشاورزی و کارهای سنگین ساخته شدهاند. ما در نوآوری بزرگ هستیم، به همین دلیل است که میتوانیم کوپلینگ مشترک جهانی قابل اعتماد و سنگین را برای عملیات آسیاب نورد ارائه کنیم که حتی در پیچیدهترین سیستمها بدون هیچ مشکلی هم جا میشود.
امکانات ما نیز درجه یک هستند - ما کارگاه های CNC، تجهیزات سنگ زنی و عملیات حرارتی، و سیستم های اندازه گیری سه بعدی پیشرفته داریم. ما به استانداردهای کیفیت سختگیرانه ای مانند ISO9001/TS16949 پایبند هستیم، و این راه اندازی به ما امکان می دهد راه حل های جفت مشترک مفصلی با گشتاور بالا بسازیم که گشتاور را به خوبی جابجا می کند و مانند یک حرفه ای ناهماهنگی را مدیریت می کند. به عنوان مثال، کوپلینگ محور مشترک جهانی بادوام SWC ما را در تجهیزات بلند کردن و جابجایی مواد در نظر بگیرید - برای مکان هایی ساخته شده است که به قدرت باربری سخت نیاز دارند. و خط کوپلینگ مشترک جهانی صنعتی ما؟ همه نوع استفاده هایی را پوشش می دهد که دقت و استحکام بیشتر از همه مهم است.
80 درصد از آنچه ما تولید می کنیم صادر می شود - به مکان هایی مانند ایالات متحده، آلمان، ژاپن، ایتالیا، مالزی، استرالیا و خاورمیانه ارسال می شود. ما شبکه های قوی در چین، کره جنوبی، بریتانیا، سنگاپور، ایالات متحده و اسپانیا نیز داریم، بنابراین در سطح جهانی قوی هستیم. این دسترسی به ما امکان میدهد گزینههای کوپلینگ مشترک جهانی سنگین SWC سفارشیسازی شده را ارائه دهیم - دقیقاً مطابق با آنچه مشتریان نیاز دارند، مانند سیستمهای کوپلینگ مشترک جهانی ماشینآلات سنگین که در آن پایدار ماندن تحت بارهای شدید غیرقابل مذاکره است.
ما به پایداری و ایجاد راه حل هایی اهمیت می دهیم که مشتریان را در اولویت قرار دهد. به همین دلیل است که ما راهحلهای کوپلینگ مشترک جهانی صرفهجویی در مصرف انرژی را توسعه میدهیم که تا 98.6 درصد راندمان انتقال را به دست میآورد - مصرف انرژی را در تنظیمات پرقدرت کاهش میدهد. چه به یک کوپلینگ مشترک جهانی کارآمد برای انتقال قدرت بزرگ نیاز داشته باشید و چه به یک کوپلینگ مشترک جهانی کم سر و صدای کم برای نقاط صنعتی که در آن نویز مشکل ساز است، محصولات ما با خدمات پس از فروش کامل ارائه می شوند. به این ترتیب است که ما به یک شریک قابل اعتماد در صنعت انتقال تبدیل شده ایم - ما فقط قطعات را نمی فروشیم، بلکه از آنها پشتیبانی می کنیم.
نشانی
منطقه صنعتی لوتوئو، منطقه ژنهای، شهر نینگبو، چین
تلفن
پست الکترونیک


+86-574-87168065


منطقه صنعتی لوتوئو، منطقه ژنهای، شهر نینگبو، چین
کپی رایت © Raydafon Technology Group Co., Limited کلیه حقوق محفوظ است.
Links | Sitemap | RSS | XML | سیاست حفظ حریم خصوصی |
