کد QR
محصولات
با ما تماس بگیرید


فکس
+86-574-87168065

پست الکترونیک

نشانی
منطقه صنعتی لوتوئو، منطقه ژنهای، شهر نینگبو، چین
کوپلینگ جهانی SWC-WF Raydafon بدون نوع فلنج فلکس فقط برای انتقال گشتاور بالا در ماشینهای سنگین ساخته شده است - فکر کنید تجهیزات متالورژی، جرثقیلها، سیستمهای معدن، همه تنظیمات سختی که نیاز به نیروی ثابت دارند. دارای طراحی فلنج غیر قابل انعطاف، قطر چرخش بین 160 میلی متر تا 640 میلی متر است، و این کوپلینگ جهانی نوع فلنج، ناهماهنگی های زاویه ای بزرگ به علاوه سرعت های چرخشی مداوم را کنترل می کند، حتی زمانی که در شرایط فوق العاده سخت کار می کنید. ما برای ساخت آن از فولاد 35CrMo با مقاومت بالا استفاده میکنیم، بنابراین در برابر بارهای شدید کاملاً مقاومت میکند - دقیقاً به همین دلیل است که بهترین انتخاب برای کوپلینگهای جهانی برای ماشینهای سنگین و کوپلینگهای جهانی غیر منعطف برای کاربردهای صنعتی است. ساخت دقیق Raydafon اطمینان حاصل می کند که هر بار عملکرد خوبی ارائه می دهد، به خصوص برای صنایعی که نمی توانند در ارائه گشتاور ثابت به خطر بیفتند.
این کوپلینگ جهانی SWC-WF با اتصال فلنجی سفت و سخت ساخته شده است که نصب را در سیستمهایی مانند محرک کشتیسازی و کارخانههای نورد آسان میکند - مکانهایی که حرکت محوری زیاد نیست. ما به شدت از استانداردهای ISO 9001 پیروی میکنیم و کارخانه مستقر در چین ما از ماشینکاری پیشرفته بهعلاوه بررسیهای دقیق کیفیت برای ساخت این کوپلینگ جهانی فلنج بادوام استفاده میکند. این در اندازههای قابل تنظیم، با درجهبندی گشتاور تا 1250 کیلو نیوتنمتر عرضه میشود، بنابراین در کوپلینگهای جهانی سفارشی برای تجهیزات متالورژی و سایر تنظیمات سنگین قرار میگیرد. Raydafon همچنین راهحلهای متناسب با قیمتهای رقابتی را ارائه میدهد که به کاهش زمان از کار افتادگی و افزایش قابلیت اطمینان تجهیزات شما کمک میکند.
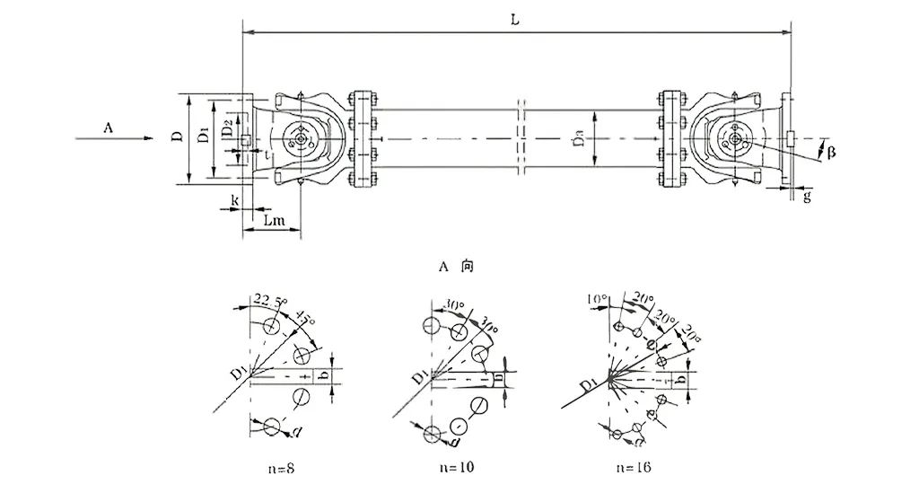
| خیر | قطر چرخش D میلی متر | گشتاور اسمی Tn KN·m | زاویه تا شدن محورها β (°) | گشتاور خسته Tf KN·m | اندازه (میلی متر) | اینرسی چرخشی کیلوگرم بر متر2 | وزن (کیلوگرم) | |||||||||||
| Lmin | D1 (js11) | D2 (H7) | D3 | Lm | n-d | k | t | b (h9) | g | Lmin | افزایش دهید 100 میلی متر | Lmin | افزایش دهید 100 میلی متر | |||||
| SWC285WF | 285 | 90 | 45 | ≤15 | 810 | 245 | 170 | 194 | 160 | 8-21 | 27 | 7 | 40 | 15 | 2.664 | 0.051 | 220 | 6.3 |
| SWC315WF | 315 | 125 | 63 | 915 | 280 | 185 | 219 | 180 | 10-23 | 32 | 8 | 40 | 15 | 4.469 | 0.0795 | 300 | 8.0 | |
| SWC350WF | 350 | 180 | 90 | 980 | 310 | 210 | 267 | 194 | 10-23 | 35 | 8 | 50 | 16 | 7.388 | 0.2219 | 412 | 15.0 | |
| SWC390WF | 390 | 250 | 125 | 1100 | 345 | 235 | 267 | 215 | 10-25 | 40 | 8 | 70 | 18 | 13.184 | 0.2219 | 588 | 15.0 | |
| SWC440WF | 440 | 355 | 180 | 1290 | 390 | 255 | 325 | 260 | 16-28 | 42 | 10 | 80 | 20 | 23.250 | 0.4744 | 880 | 21.7 | |
| SWC490WF | 490 | 500 | 250 | 1360 | 435 | 275 | 325 | 270 | 16-31 | 47 | 12 | 90 | 22.5 | 40.750 | 0.4744 | 1173 | 21.7 | |
| SWC550WF | 550 | 710 | 355 | 1510 | 492 | 320 | 426 | 305 | 16-31 | 50 | 12 | 100 | 22.5 | 68.480 | 1.3570 | 1663 | 34.0 | |
| SWC620WF | 620 | 1000 | 500 | 1690 | 555 | 380 | 426 | 340 | 10-38 | 55 | 12 | 100 | 25 | 127.530 | 1.3570 | 2332 | 34.0 | |
* 1. Tf- تحت بار تناوب، گشتاوری را که با توجه به قدرت خستگی اجازه می دهد، بارگذاری کنید.
* 2. طول نصب L که مطابق با نیاز است.
SWC-WF Raydafon بدون کوپلینگ مفصل جهانی از نوع فلنج فلکس - که کوپلینگ مفصل جهانی شفت SWC نیز نامیده میشود - بر اساس یک ایده مکانیکی اساسی کار میکند: گشتاور را از دو شفت غیر خطی به جایی که باید برود دریافت میکند و همچنین ناهماهنگی را کنترل میکند. این کوپلینگ مفصل جهانی با گشتاور بالا از یک تنظیم متقاطع برای اتصال فلنجها در هر دو انتها استفاده میکند، بنابراین حتی زمانی که شفتها تا 25 درجه جابجا میشوند یا دارای انحرافات محوری/شعاعی هستند، همچنان قدرت چرخشی را به آرامی حرکت میدهد.
قلب نحوه کار آن طراحی مفصل جهانی است - یک شفت متقاطع وجود دارد که مانند یک محور عمل می کند و به هر فلنج اجازه می دهد به تنهایی حرکت کند. به این ترتیب، گشتاور به طور موثر از محور محرک به محور محرک می رود و بدون وارد کردن فشار زیاد به قسمت هایی که به آن متصل است، انحراف های زاویه ای را جبران می کند. اگر برای عملیات آسیاب نورد به یک کوپلینگ مشترک جهانی سنگین و قابل اعتماد نیاز دارید، ساختار فلنجی سفت و سخت و غیر منعطف این یکی، چیزها را ثابت نگه میدارد، که برای اتصالات در فواصل کوتاه در تنظیمات ماشینهای سنگین فشرده عالی است.
چیزی که عملکرد آن را متمایز می کند این است که قطعات انعطاف پذیر یا ویژگی های انبساط ندارد - این آن را از انواع دیگر متمایز می کند و آن را برای مکان هایی که حرکت محوری حداقل است عالی می کند. کوپلینگ محور مشترک جهانی بادوام SWC که ما در تجهیزات بالابری و جابجایی مواد استفاده می کنیم بر این اصل تکیه دارد تا حتی در زیر بارهای بزرگ متعادل بماند. راندمان انتقال را تا 98.6٪ افزایش می دهد و انرژی زیادی را هدر نمی دهد. این کوپلینگ مشترک جهانی صنعتی همچنین به لطف حرکت دقیق بلبرینگ، ارتعاشات را کاهش میدهد، بنابراین حتی در شرایط پر استرس نیز به نرمی کار میکند - درست مانند سیستمهای کوپلینگ مفصل جهانی ماشینآلات سنگین که در مشاغل سخت صنعتی میبینید.
بعلاوه، کوپلینگ مشترک جهانی سنگین SWC Raydafon دارای فلنجهای جوشی است تا محکمتر شود - دیگر نگران شل شدن پیچها نباشید و استحکام کلی را بین 30 تا 50 درصد افزایش میدهد. به عنوان یک کوپلینگ مشترک جهانی کارآمد برای انتقال قدرت بزرگ، گشتاورهای اسمی از 0.15 تا 1000 کیلو نیوتن متر را مدیریت می کند و قطر چرخش آن از φ58 تا φ620 است که آن را به گزینه ای برتر برای راه حل های کوپلینگ مشترک جهانی صرفه جویی در انرژی در گیربکس های صنعتی خواستار تبدیل می کند. و با حفظ نویز بین 30 تا 40 دسی بل (A)، این کوپلینگ مشترک جهانی کم سر و صدای کم کار میکند، که برای مکانهای صنعتی که سر و صدا در آن نگرانکننده است، ایدهآل است، در حالی که استانداردهای قابلیت اطمینان بالا را حفظ میکند.
کوپلینگ مشترک مشترک جهانی SWC Raydafon - که اغلب به آن کوپلینگ مفصل جهانی شفت SWC می گویند - فقط یک قطعه معمولی نیست. برای دستگاههای صنعتی سنگین، مانند کارخانههای نورد، ماشینهای بالابر و انواع سیستمهای ماشینهای سنگین سخت، ضروری است. به عنوان یک کوپلینگ مفصل جهانی با گشتاور بالا، کار محکمی را انجام می دهد و دو شفت انتقال را که به طور کامل در یک راستا قرار ندارند به هم متصل می کند، و اطمینان می دهد که قدرت حتی زمانی که شرایط کار سخت می شود، جریان دارد.
بیایید در مورد مشخصات کلیدی آن صحبت کنیم: قطر چرخش از φ58 تا φ620 متغیر است، گشتاور اسمی از 0.15 تا 1000 کیلو نیوتنمتر است و زاویه تا شدن محور بیش از 25 درجه نیست.
این محصول واقعاً در سناریوهای خاص می درخشد - مانند زمانی که به یک کوپلینگ مشترک جهانی قابل اعتماد برای عملیات آسیاب نورد نیاز دارید، یا یک کوپلینگ محور مشترک جهانی بادوام SWC در تجهیزات بالابری و جابجایی مواد. در این موارد، ارزش خود را با پایدار نگه داشتن عملیات ثابت می کند، حتی زمانی که با بارهای سنگین سر و کار دارد.
کوپلینگ مشترک جهانی SWC Raydafon فقط برای عملکرد ساخته نشده است، بلکه با طراحی هوشمند طراحی شده است تا در مصارف صنعتی دوام بیاورد و عملکرد طولانی مدت خوبی داشته باشد. بیایید آنچه را که ساختار آن را برجسته می کند، بشکنیم.
اول، یک پیکربندی معقول و ایمن دارد: ما از طراحی سر چنگال یکپارچه برای این کوپلینگ مشترک صنعتی جهانی استفاده کردیم که خطراتی مانند شل شدن یا شکستن پیچها را کاهش میدهد. این به تنهایی یکپارچگی ساختاری آن را 30 تا 50 درصد افزایش می دهد، بنابراین ایمن و قابل اعتماد کار می کند. در مقایسه با کوپلینگهای معمولی، دوام بیشتری دارد و از خرابیهای معمول در نقاط پر استرس جلوگیری میکند - مانند سیستمهای کوپلینگ مشترک ماشینهای سنگین که در کارهای سخت میبینید.
سپس ظرفیت باربری افزایش یافته آن وجود دارد: این کوپلینگ مشترک جهانی سنگین SWC برای تحمل وزنه های بزرگ ساخته شده است، بنابراین در مکان هایی که نیاز به مدیریت بار درجه یک، مانند ماشین آلات معدن یا ساخت و ساز دارند، باید داشته باشید.
همچنین راندمان انتقال بالایی را ارائه می دهد - تا 98.6٪. به عنوان یک اتصال مشترک جهانی کارآمد برای انتقال قدرت بزرگ، مصرف انرژی و هزینه های ناشی از آن را کاهش می دهد. به همین دلیل است که یک انتخاب برتر برای راه حل های کوپلینگ مشترک جهانی صرفه جویی در انرژی در تنظیمات انتقال صنعتی پرقدرت است.
و با نویز کم کار می کند: انتقال را ثابت نگه می دارد و نویز معمولاً بین 30-40 دسی بل (A) باقی می ماند. این کوپلینگ مشترک جهانی کمصدا باعث میشود که عملکردها بیصدا بمانند، که برای مکانهایی که نویز مشکلساز است، عالی است - در عین حال که قابلیت اطمینان را در سطح بالایی حفظ میکند.
⭐⭐⭐⭐⭐ چن لیانگ، مهندس تولید، شرکت ماشین سازی ژجیانگ، با مسئولیت محدود.
ما SWC-WF Raydafon's Without Flex Flange Type Universal Coupling را در یکی از خطوط تولید خود قرار دادیم و تا کنون عالی کار کرده است. سازه ساده اما سخت است - نصب آن آسان بود، بدون مراحل پیچیده. پس از راهاندازی، روان کار میکند، نیازی به ترفندهای اضافی نیست. حتی زمانی که بار سنگین است، این کوپلینگ قابل اعتماد باقی میماند، به این معنی که میتوانیم دستگاهها را ساعتهای طولانی بدون نگرانی بیش از حد کار کنند - قطعاً به ما آرامش بیشتری میدهد.
⭐⭐⭐⭐⭐ Sun Mei، ناظر خرید، Hebei Steel Co., Ltd.
شرکت ما چندین کوپلینگ جهانی SWC-WF بدون فلنج فلنجی را از Raydafon خریداری کرد، و در ابتدا، تحویل به موقع انجام شد، و بستهبندی نیز مراقب بود - هیچ آسیبی نداشت. چیزی که واقعاً برای من برجسته است این است که تیم کارگاه گفته است: آنها به من گفتند که کوپلینگ ها به راحتی نصب می شوند و هنگام استفاده از آنها واقعاً محکم احساس می شوند. به علاوه، در مقایسه با سایر تامین کنندگان، قیمت در اینجا منصفانه است. در کل، ما از این خرید واقعا راضی هستیم.
⭐⭐⭐⭐⭐ گوئو جون، مدیر تعمیر و نگهداری، گروه صنعت سنگین لیائونینگ
کار من این است که دستگاه هایمان را روشن نگه دارم و سعی می کنم تا جایی که می توانم از کار افتادگی بکاهم. از زمانی که ما شروع به استفاده از SWC-WF Raydafon بدون کوپلینگ جهانی فلنج فلکس کردیم، متوجه تفاوت بزرگی شدم - سایش کمتر قطعه و مشکلات کمتر در حین کار. طراحی سخت است و نیازی به نگهداری زیادی ندارد. این باعث صرفه جویی در زمان و هزینه ما می شود و معلوم شده است که بخش فوق العاده قابل اعتمادی برای تجهیزات ما است.
Raydafon یکی از زیرمجموعههای کلیدی EVER-POWER Group Co., Ltd. است - ما نه تنها یک تامینکننده، بلکه ارائهدهنده قطعات انتقال باکیفیت و راهحلهای صنعتی هستیم، و تمرکز زیادی بر محصولات نوآورانهای مانند کوپلینگ مشترک مشترک شفت کاردان SWC داریم. از زمانی که شروع کردیم، همه ما در مورد پیشرفت فناوری و رشد در بازارهای جهانی بوده ایم. ما در فروش قطعات منفرد متوقف نشدیم - اکنون راهحلهای کامل سیستمی را میسازیم که کاملاً با نیازهای کشاورزی و صنایع سنگین مطابقت دارد. دانش ما در محورهای محرک و محصولات انتقال به این معناست که مشتریانی که برای عملیات آسیاب نورد (و سایر کارهای سخت) به کوپلینگ مشترک جهانی سنگین و قابل اعتماد نیاز دارند، می توانند روی ما به عنوان یک شریک خوب حساب کنند.
در Raydafon، ما طیف گسترده ای از محصولات را تولید می کنیم: گیربکس، شفت محرک، سیلندر هیدرولیک، قرقره، و حتی ماشین آلات پیشرفته مانند ماشین تراش CNC و ماشین های فرز. راهحلهای کوپلینگ مشترک جهانی با گشتاور بالا - برای مثال سری SWC را در نظر بگیرید - برای رسیدگی به نیازهای سخت صنایعی ساخته شدهاند که به کوپلینگ محور مشترک جهانی بادوام SWC در تجهیزات بالابری و جابجایی مواد نیاز دارند. ما نیز امکانات پیشرفتهای داریم: کارگاههای CNC، ماشینهای سنگزنی و عملیات حرارتی، ابزارهای اندازهگیری سهبعدی - همه به استانداردهای ISO9001/TS16949 پایبند هستند، بنابراین هر کوپلینگ مشترک صنعتی جهانی که میسازیم با کیفیت و دقیق است.
ما 80 درصد محصولات خود را در خارج از کشور به بازارهایی مانند ایالات متحده، آلمان، ژاپن، ایتالیا، مالزی، استرالیا و خاورمیانه می فروشیم. و ما یک شبکه قوی در جاهایی مانند چین، کره جنوبی، بریتانیا، سنگاپور، ایالات متحده و اسپانیا برای حمایت از آن داریم. این دسترسی جهانی به ما امکان میدهد راهحلهای سفارشیسازیشده ایجاد کنیم، مانند کوپلینگ مشترک عمومی سنگین SWC - طراحی شده برای سیستمهای کوپلینگ مشترک مشترک ماشینهای سنگین که نیاز به تحمل بارهای بزرگ دارند و برای مدت طولانی دوام میآورند.
نوآوری و خوشحال کردن مشتریان اولویت های ما هستند. ما راهحلهای کوپلینگ مشترک جهانی صرفهجویی در مصرف انرژی را ارائه میدهیم که تا 98.6% راندمان انتقال را میرساند و هزینههای عملیاتی را برای راهاندازیهای پرقدرت کاهش میدهد. چه به یک کوپلینگ مشترک جهانی کارآمد برای انتقال قدرت بزرگ نیاز داشته باشید یا یک کوپلینگ مشترک جهانی کم سر و صدا برای مکانهایی که نویز مهم است، محصولات ما با خدمات پس از فروش حرفهای عرضه میشوند—و ما به انجام درست کارها اختصاص دادهایم. به همین دلیل است که Raydafon بهترین انتخاب برای تمام نیازهای انتقال شما است.
نشانی
منطقه صنعتی لوتوئو، منطقه ژنهای، شهر نینگبو، چین
تلفن
پست الکترونیک


+86-574-87168065


منطقه صنعتی لوتوئو، منطقه ژنهای، شهر نینگبو، چین
کپی رایت © Raydafon Technology Group Co., Limited کلیه حقوق محفوظ است.
Links | Sitemap | RSS | XML | سیاست حفظ حریم خصوصی |
