محصولات
سیلندر بکسل و بالابر برای ماشین آلات کشاورزی
  • سیلندر بکسل و بالابر برای ماشین آلات کشاورزیسیلندر بکسل و بالابر برای ماشین آلات کشاورزی
  • سیلندر بکسل و بالابر برای ماشین آلات کشاورزیسیلندر بکسل و بالابر برای ماشین آلات کشاورزی

سیلندر بکسل و بالابر برای ماشین آلات کشاورزی

Raydafon به عنوان یک تولید کننده قدیمی که ریشه در چین دارد، سیلندرهای مقرون به صرفه بکسل و بلند کردن ماشین آلات کشاورزی را با اتکا به کارخانه و فناوری بالغ خود به بخش کشاورزی آورده است. با قیمت مناسب خود به تامین کننده مورد اعتماد بسیاری از کشاورزان و تعاونی های ماشین آلات کشاورزی تبدیل شده است. این سیلندر بکسل و بالابر برای ماشین آلات کشاورزی با فولاد آلیاژی ضخیم ساخته شده و با هفت فرآیند خاموش کردن تقویت شده است. به راحتی می تواند ماشین آلات کشاورزی 3 تنی را بلند کند و برای بلند کردن و پایین آوردن تجهیزات شخم زدن یا بارگیری و تخلیه تریلرها به اندازه کافی قدرتمند است. با کیفیت قابل اعتماد و خدمات پس از فروش دقیق، سیلندرهای بکسل و بالابر ماشین آلات کشاورزی Raydafon به تولید محصولات کشاورزی در مکان های مختلف کمک می کند تا به طور کارآمد عمل کنند.

Towing And Lifting Cylinder For Agricultural Machinery

ویژگی های محصول

Raydafon، به عنوان یک تولید کننده چینی که عمیقاً در زمینه هیدرولیک مشغول است، یک سیلندر بکسل و بالابر مقرون به صرفه برای ماشین آلات کشاورزی با مهارت استادان کارخانه خود ایجاد کرده است. با قیمت مناسب، به تامین کننده قابل اعتماد بسیاری از مزارع و کارخانه های ماشین آلات کشاورزی تبدیل شده است. این سیلندر برای شرایط کاری پیچیده در زمین های کشاورزی طراحی شده است و سه مزیت اصلی آن عملیات کشاورزی را آسان تر می کند.


قدرتمند و بادوام، با مقاومت کامل در برابر آهنگری: سیلندر یدک‌کش و بالابر Raydafon برای ماشین‌آلات کشاورزی با فولاد آلیاژی معدنی ساخته شده است، دیواره سیلندر 30 درصد ضخیم‌تر است و از طریق هشت فرآیند خاموش کردن چکش می‌خورد، با سختی قابل مقایسه با خطوط راه‌آهن. می تواند به طور پایدار 3.5 تن ماشین آلات کشاورزی را بلند کند و شخم زدن و حمل تجهیزات سنگین مشکلی ندارد. سطح با چهار لایه پوشش ضد خوردگی پوشش داده شده است. پس از دو سال استفاده مداوم در زمین‌های شور-قلیایی و مزارع مرطوب برنج، بدنه سیلندر همچنان به‌اندازه نو بدون نشت یک قطره روغن روشن است.


به اندازه یک کوه پایدار، انعطاف پذیر برای کار: سیستم تعادل هیدرولیک دو طرفه اصلی به سیلندر بکسل و بالابر برای ماشین آلات کشاورزی اجازه می دهد تا به طور دقیق روی برآمدگی های ناهموار بلند شود و پایین بیاید. سنسور فشار داخلی به طور خودکار هنگام بارگذاری بیش از حد، محافظت را فعال می کند و عمل را در عرض 0.3 ثانیه متوقف می کند.


سفارشی بر اساس تقاضا، پس از فروش بدون نگرانی: از سفارشی سازی کامل موقعیت بندر نفت و طول ضربه پشتیبانی می کند و می تواند با مدل های قدیمی و ماشین آلات کشاورزی وارداتی سازگار شود. نصب فقط نیاز به سفت کردن چند پیچ ​​دارد و اپراتورهای معمولی ماشین آلات کشاورزی می توانند طبق دستورالعمل این کار را انجام دهند. گواهینامه دوگانه ISO 9001 و صنعت ماشین آلات کشاورزی را گذرانده و در صورت وجود مشکل در عرض 24 ساعت پاسخ داده است. محصول Raydafon یک "یار سختگیر" برای کاهش هزینه ها و افزایش راندمان در تولید محصولات کشاورزی است.

Towing And Lifting Cylinder For Agricultural Machinery


برنامه کاربردی محصول

در عملیات شخم زدن، بکسل و بالابر سیلندر ماشین آلات کشاورزی «قدرت» تجهیزات شخم است. گاوآهن معکوس که توسط تراکتور کشیده می شود نیاز به تنظیم مکرر عمق نفوذ خاک دارد. سیلندر روغن تولید شده توسط Raydafon می تواند بدنه گاوآهن را به سرعت و با دقت بالا و پایین بیاورد و همچنین می تواند هنگام برخورد با بلوک های خاک سخت به طور پایدار نیرو وارد کند و عمق شخم یکنواخت را تضمین کند و راندمان شخم را تا حد زیادی بهبود بخشد. همچنین در فرآیند کاشت ضروری است. در بذرکار، سیلندر روغن، بلند کردن و پایین آمدن دستگاه بذر سنج و فشار چرخ فشار را کنترل می کند. هنگام کاشت، سیلندر روغن به چرخ فشار اجازه می دهد تا خاک را با نیروی مناسب فشرده کند تا از تماس نزدیک بین بذرها و خاک اطمینان حاصل کند و سرعت سبز شدن را بهبود بخشد. هنگام انتقال کرت ها، می تواند به سرعت سنج بذر را برای تسهیل حرکت دستگاه بالا ببرد.


در مرحله برداشت، سیلندر بکسل و بالابر ماشین آلات کشاورزی روی کمباین نقش کلیدی دارد. پس از پر شدن جعبه غلات، فقط باید سیلندر روغن را کار کنید تا به راحتی جعبه دانه را بالا بیاورید و دانه ها را به سرعت روی وسیله نقلیه تخلیه کنید. کل فرآیند صاف و صرفه جویی در کار است. علاوه بر این، هنگام برداشت محصولات سقوط کرده، سیلندر روغن همچنین می تواند به طور انعطاف پذیر ارتفاع هدر را تنظیم کند تا از برداشت صاف اطمینان حاصل شود. علاوه بر این، در تجهیزات حمل و نقل کشاورزی، مانند کامیون های کمپرسی کشاورزی، سیلندر روغن، بلند کردن و پایین آوردن سطل را کنترل می کند. سطل پر از کاه و کود را می توان به طور خودکار با فشار دادن سیلندر روغن کج و تخلیه کرد که چندین برابر کارآمدتر از جابجایی دستی است. Raydafon به‌عنوان تامین‌کننده‌ای که مستقیماً از کارخانه ارسال می‌کند، محصولات مقرون‌به‌صرفه و بادوام را از طریق تولید در مقیاس بزرگ به کشاورزان و شرکت‌های ماشین‌آلات کشاورزی ارائه می‌دهد و به هر مرحله از تولید کشاورزی کمک می‌کند.

Towing And Lifting Cylinder For Agricultural Machinery


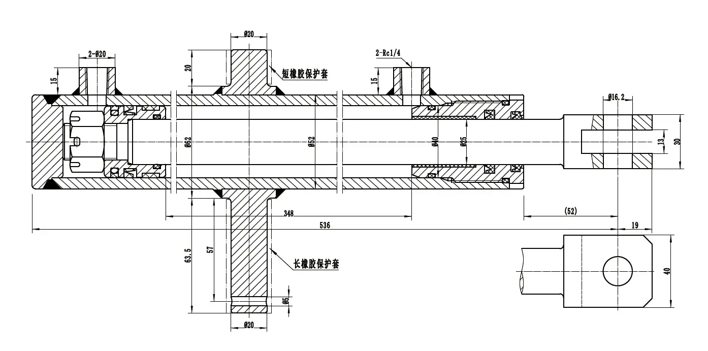
پارامتر محصول:

مدل سیلندر مشخصات فشار کاری حداکثر تحمل فشار سفر فاصله نصب وزن
HCYY11112017 Φ40×Φ25×348 16.7 مگا پاسکال 24.5 مگا پاسکال 348 536 6 کیلوگرم

Towing And Lifting Cylinder For Agricultural Machinery



تگ های داغ: سیلندر بکسل و بالابر برای ماشین آلات کشاورزی
ارسال استعلام
اطلاعات تماس
  • نشانی

    منطقه صنعتی لوتوئو، منطقه ژنهای، شهر نینگبو، چین

  • پست الکترونیک

    [email protected]

برای پرس و جو در مورد سیلندرهای هیدرولیک، گیربکس، شفت PTO یا لیست قیمت، لطفا ایمیل خود را به ما بسپارید و ما ظرف 24 ساعت با شما تماس خواهیم گرفت.
X
ما از کوکی ها استفاده می کنیم تا تجربه مرور بهتری به شما ارائه دهیم، ترافیک سایت را تجزیه و تحلیل کنیم و محتوا را شخصی سازی کنیم. با استفاده از این سایت، شما با استفاده ما از کوکی ها موافقت می کنید. سیاست حفظ حریم خصوصی
رد کردن قبول کنید